山東風途物聯網科技有限公司
聯系人:薛經理
聯系電話(hua):15689257565
QQ:1379335561
公司地址(zhi):山東省濰坊市高新(xin)區光電路155號(hao)光電產業加速器(一期)
PRODUCT
聯系人:薛經理
聯系電話(hua):15689257565
QQ:1379335561
公司地址(zhi):山東省濰坊市高新(xin)區光電路155號(hao)光電產業加速器(一期)

產品型號:FT-ZF1
產品價格:1300元
產品品牌:風途
一、稱重式水面蒸發器工作原理
稱(cheng)重式(shi)水(shui)面(mian)蒸(zheng)(zheng)發器又稱(cheng)蒸(zheng)(zheng)發量(liang)計,稱(cheng)重式(shi)水(shui)面(mian)蒸(zheng)(zheng)發器是用(yong)于自動連續(xu)觀測(ce)水(shui)面(mian)蒸(zheng)(zheng)發在不(bu)同時(shi)間段變化(hua)(hua)規律,用(yong)于測(ce)量(liang)液(ye)面(mian)蒸(zheng)(zheng)發量(liang)的(de)專(zhuan)業儀器。應用(yong)壓力式(shi)測(ce)量(liang)原理,通過測(ce)量(liang)蒸(zheng)(zheng)發皿內液(ye)體重量(liang)變化(hua)(hua),再計算出頁面(mian)高(gao)度(du),從而測(ce)得蒸(zheng)(zheng)發量(liang)。能(neng)夠適應各類環境(jing)的(de)水(shui)面(mian)蒸(zheng)(zheng)發測(ce)量(liang),不(bu)受液(ye)體結冰的(de)影響,克服了(le)使(shi)用(yong)超聲波原理測(ce)量(liang)液(ye)面(mian)高(gao)度(du)時(shi)出現的(de)結冰時(shi)測(ce)量(liang)不(bu)準、無水(shui)時(shi)易損壞傳(chuan)感器、測(ce)量(liang)精(jing)度(du)低等弊端。
二、稱重式水面蒸(zheng)發器適用范圍(wei)
水面(mian)蒸發(fa)傳感(gan)器是用(yong)(yong)來感(gan)知(zhi)水面(mian)蒸發(fa)量變化的傳感(gan)器,可以(yi)觀測水面(mian)蒸發(fa)在(zai)不同時(shi)間段的變化規律,適用(yong)(yong)于氣象(xiang)觀測、植物栽培(pei)、種子培(pei)養、農林業、地質勘測、科學研究等(deng)領域。
既(ji)可(ke)與(yu)自(zi)動加水(shui)裝(zhuang)置、數(shu)據采集(ji)發送(song)(song)裝(zhuang)置等(deng)配套使用(yong),實(shi)現蒸(zheng)發過程自(zi)動監控,也(ye)可(ke)與(yu)數(shu)據采集(ji)存儲裝(zhuang)置(記錄儀)組合使用(yong),實(shi)現蒸(zheng)發數(shu)據的自(zi)動存儲,還可(ke)與(yu)雨量傳感器、數(shu)據采集(ji)發送(song)(song)裝(zhuang)置等(deng)搭配使用(yong),實(shi)現蒸(zheng)發、降雨過程的自(zi)動觀(guan)測和(he)遠(yuan)程傳輸。
三、稱重式水面蒸發器功能特點
1.可以防止太陽直(zhi)曬引(yin)起的(de)蒸(zheng)發(fa)誤差,擁(yong)有(you)比同行業(ye)產品更高(gao)的(de)測量精(jing)度(du)值,響(xiang)應速度(du)快;
2.整(zheng)機選用304不(bu)銹鋼材質制成,耐腐蝕,不(bu)起(qi)銹,外觀精(jing)美,保證傳感(gan)器使用壽命;
3.壓力式測(ce)量(liang)(liang)原理,使用高(gao)精度(du)的(de)稱重原理測(ce)量(liang)(liang)蒸(zheng)發(fa)皿(min)內液體的(de)重量(liang)(liang)變化,計算出液面(mian)高(gao)度(du),從(cong)而測(ce)量(liang)(liang)得到蒸(zheng)發(fa)量(liang)(liang),測(ce)量(liang)(liang)更準確,數據更科(ke)學;
4.雙層防護的設(she)計結構,該產品采用雙層不銹(xiu)鋼設(she)計,可以隔離外界干(gan)擾,使測量結果更(geng)加準確(que);
5.停電后再通電,輸出(chu)數據依然正確(que);
四、稱(cheng)重式水(shui)面(mian)蒸發(fa)器工作及存儲條(tiao)件
工作溫度:-40~85°C
工作濕度:0~100%RH
儲(chu)存濕度:<80%(無凝結)
五(wu)、稱重式水面蒸發器技術(shu)參數
供(gong)電電壓:12V DC
測量范圍:0~190mm
測量精度:±1%
信號輸出:485 Modbus-RTU
響應(ying)時間:200ms
內桶口徑:φ200mm
防護等級:IP66
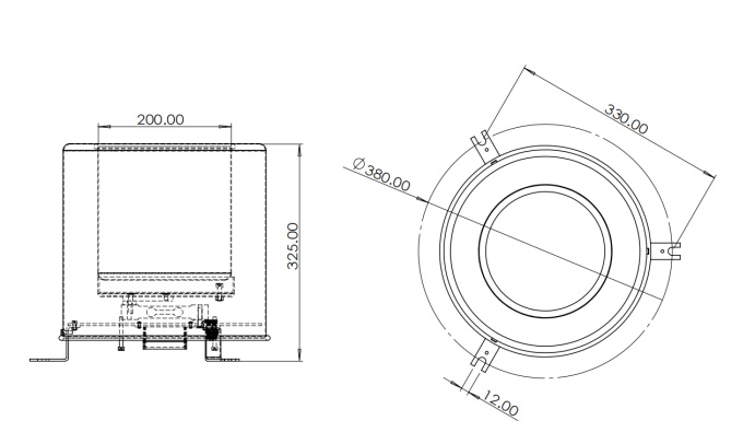
六、稱重式(shi)水面蒸發器產品尺寸圖

七、稱重式(shi)水面蒸發(fa)器安裝指導(dao)
1.安裝位置(zhi)選擇須知(zhi)
設備安裝地(di)點應高(gao)出地(di)面且須裝在(zai)水泥底座上,防止雨水淹沒底盤(pan)及倒灌進設備內部從而引起(qi)設備短(duan)路(lu)或線路(lu)故障。
2.安裝步驟
將產品拆箱,把外殼、內膽、底座(zuo)放置(zhi)于(yu)水平地面準(zhun)備安(an)裝,安(an)裝步(bu)驟如下:
A去掉底部頂絲
B將內膽放置于底座(zuo)托盤上
C將外殼罩(zhao)在底座底盤上
D轉動外殼(ke)使(shi)外殼(ke)底部螺(luo)栓孔(kong)與底座托盤螺(luo)栓孔(kong)對齊后插入螺(luo)栓擰緊
E將組裝好(hao)的(de)設備(bei)固定(ding)于預先制作好(hao)的(de)水泥底(di)座上(shang)